0927、0955系列1吋以上
0927、0955系列1吋以下1、0955系列0927系列属于先导式膜片电磁阀。
2、适用于空气压缩机类管路通断油或通断气的应用;0927系列常闭阀常用作断油阀、断水阀及断气阀,0955系列常开阀常用作放气阀。
3、安装使用为管接式。
4、始动压力为0.07MPa (管接式1"及1"以下)和O.10MPa (管接式1"以上)。
5、最高使用压力为100MPa(管接式1"及1"以下)和1.60MPa (管接式1"以上)。
6、最小工作压差为≥0.07MPa(管接式1"及1"以下)和0.10MPa (管接式1"以上)。
7、工作电压AC(50/60Hz): 24、36、110、220V;DC:12、24、48、220V 等,有 CE 认证。
8、此产品使用寿命大于5万次(管接式1/2"及1/2"以下)和3万次(管接式1/2"以上)。
9、0955系列0927系列年供应数千余只,部分数量已供全球采购。
| 型号① | 通径 (mm) | 接管 | 配用 电磁线圈 ② |
工作压力 ③ (MPa) |
最小工作压差 (MPa) |
Kv值 (m3/h) |
切换频率 (Hz) | |
| 常断型 | 常通型 | |||||||
| 0927000 | 0955105 | 8 | G1/4” | 0200 0201 0270 0271 |
0.07〜1.00 | 0.10 | 1.15 | & 0.5 |
| 0927100 | 0955205 | 10 | G3/8” | 1.70 | ||||
| 0927200 | 0955305 | 12 | G1/2” | |||||
| 0927300 | 0955405 | 20 | G3/4” | 5.10 | ||||
| 0927400 | 0955505 | 25 | G1” | 5.35 | ||||
| 0927500 | 0955605 | 32 | G1 1/4” | 0.10〜1.60 | 20.0 | |||
| 0927600 | 0955705 | 40 | G1 1/2” | 25.0 | ||||
| 0927700 | 0955805 | 50 | G2” | 43.0 | &0.33 | |||

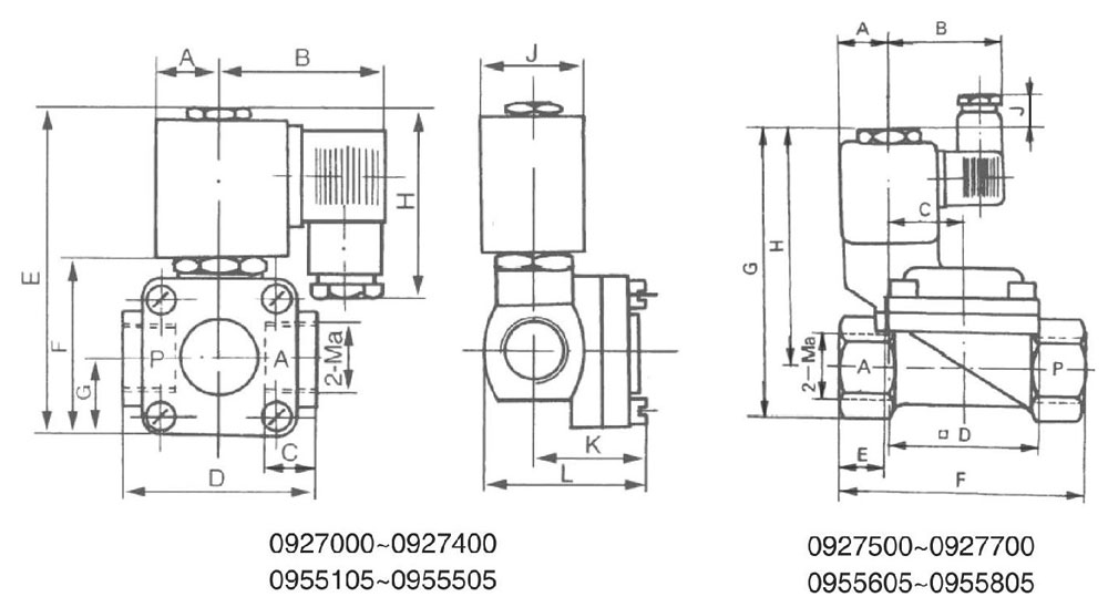
| 型号 | Ma | A | B | C | D | E | F | G | H | J | K | L | |
| 0927000 | 0955105 | G1/4” | 18 | 50 | 12 | 55 | 101 | 55 | 22 | 60 | 30 | 33.5 | 47 |
| 0927100 | 0955205 | G3/8” | |||||||||||
| 0927200 | 0955305 | G1/2” | 14 | ||||||||||
| 0927300 | 0955405 | G3/4” | 16 | 81 | 118 | 72 | 30 | 45.5 | 63.5 | ||||
| 0927400 | 0955505 | G1” | 18 | 91 | 66 | ||||||||
| 0927500 | 0955605 | G1 1/4” | 18 | 50 | 47 | 96 | 18 | 132 | 169 | 135.5 | 18 | - | - |
| 0927600 | 0955705 | G1 1/2” | |||||||||||
| 0927700 | 0955805 | G2” | 55 | 112 | 120 | 160 | 188 | 147.5 | |||||