
1.QAL系列属于柱塞式止逆阀。
2.适用于空气压缩机类通气管道内作单向通气的应用。
3.安装使用为管接式。
4.氟橡胶密封产品使用寿命开闭均大于100万次,金属密封产品开闭大于200万次。
5. QAL系列止逆阀年供应千余只,部分数量已供全球采购。

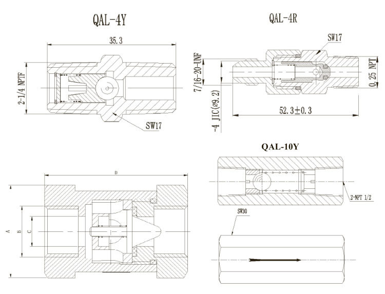
| A | B | C | D | 起始压力 | 最高压力 | 最高温 度 | 通 径 | 密封形式 | |
| QAL-4Y | SW17 | 1/4" | 4 | 35.3 | 0.045MPa | 1.6MPa | 4 | 金属硬密封 | |
| QAL-4R | SW17 | 1/4" | 4 | 52.3 | 0.007MPa | 1.7MPa | 120℃ | 4 | 氟橡胶 |
| QAL-6 | SW17 | 1/4” | 6 | 52 | 0.03MPa | 1.6MPa | 120°C | 6 | 氟橡胶 |
| QAL-8 | SW22 | 1/4” | 8 | 54 | 0.05MPa | 1.7MPa | 110°C | 8 | 聚四氟乙烯 |
| QAL-10 | SW27 | 3/8” | 10 | 46.5 | 0.05MPa | 1.7MPa | 110°C | 10 | 氟橡胶 |
| QAL-10Y | SW30 | 1/2" | 10 | 90 | 0.05MPa | 1.6MPa | 10 | 金属硬密封 | |
| QAL-25C | SW46 | 1-5/16” | 25 | 120 | 0.14MPa | 2.1MPa | 200°C | 25 | 聚四氟乙烯 |
| QAL-32G | SW76.2 | 2-1/2” | 32 | 178 | 0.01MPa | 3.1MPa | 32 | 金属硬密封 |
QAL-4Y
QAL-6
QAL-25B
QAL-25C
QAL-32G
QAL-146164